
| Pozice | Název | Popis | Sklad. číslo | Sklad | Cena | |||
|---|---|---|---|---|---|---|---|---|
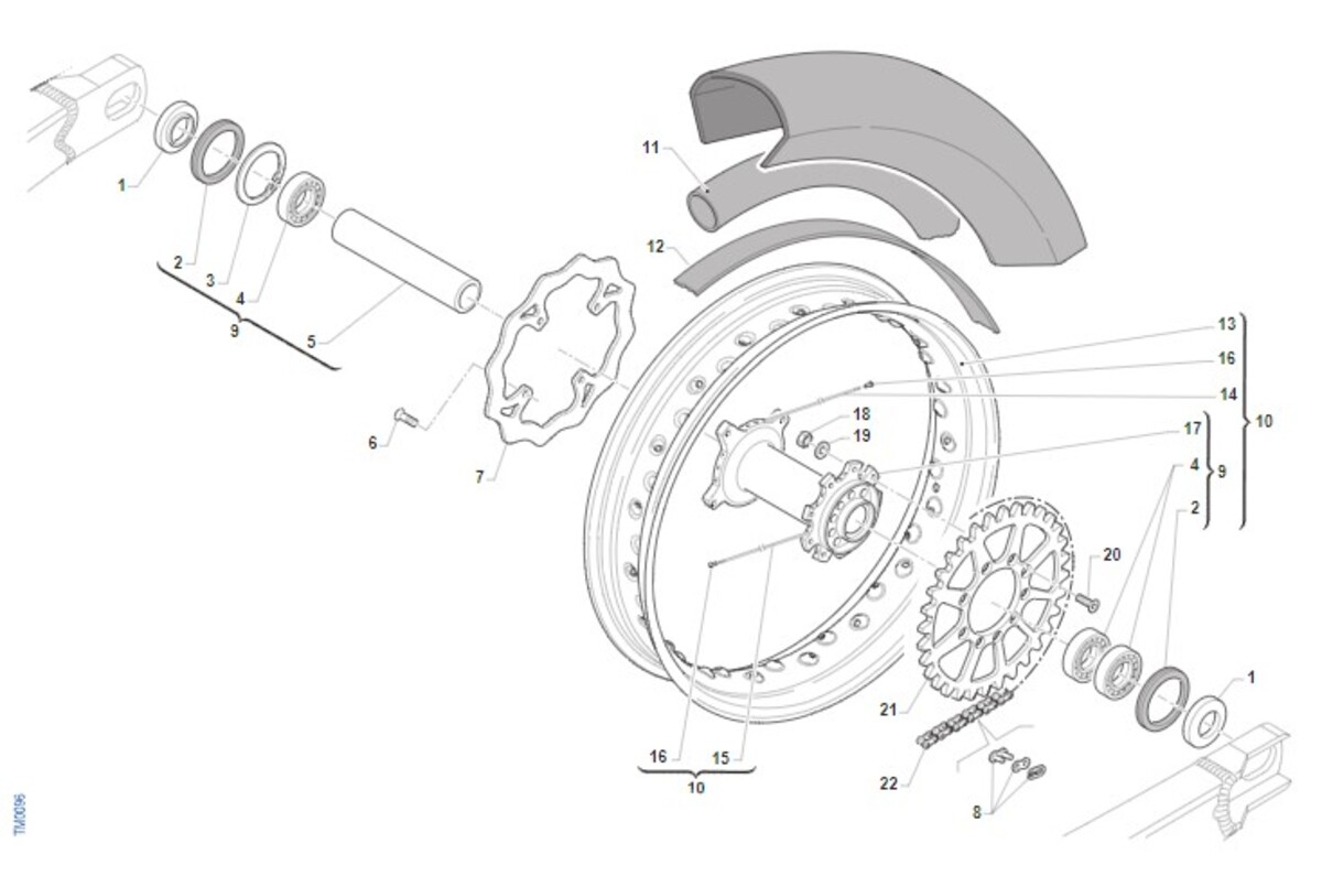
1 | COLLAR REAR WHEEL LE.RI. 15-> | 70241 | Do 10 dnů | 257 Kč | ||||
2 | DUST SEAL, REAR WHEEL 15 -> | 04074 | Do 10 dnů | 100 Kč | ||||
3 | CIRCLIP D. 43 INTERNAL | 49257 | 2 | 17 Kč | ||||
4 | BUSH, FRONT WHEEL MA50 61905 | 03071 | Do 10 dnů | 414 Kč | ||||
5 | SPACER INT.REAR WHEEL M.15-> | 70240 | Do 10 dnů | 333 Kč | ||||
6 | SCREW TE 6X16 | 49443 | 8 | 9 Kč | ||||
7 | DISC, REAR BRAKE 15-> 240X114 | 69261 | Do 10 dnů | 3 279 Kč | ||||
8 | CHAIN LINK 135 RX3 | 70098 | 1 | 127 Kč | ||||
9 | REAR HUB 2015 -> ASSY | 70119.15 | Do 10 dnů | 12 092 Kč | ||||
10 | REAR RIM 17x4.50 ASSY, SMR, BLACK | 70297 | Do 10 dnů | 31 728 Kč | ||||
10 | REAR RIM 17x4.50 ASSY, SMR, BLUE | 70302 | Do 10 dnů | 31 744 Kč | ||||
11 | TUBE, REAR 17 | 80240 | Do 10 dnů | 759 Kč | ||||
12 | FLAP, REAR 17 | 70157 | Do 10 dnů | 427 Kč | ||||
13 | S.M. REAR RIM 4.50x17 Takasago | 70087 | Do 10 dnů | 13 861 Kč | ||||
13 | RIM 17x4.50 TAKASAGO BLACK | 70087.1 | Do 10 dnů | 0 Kč | ||||
14 | SPOKE 173 4/3,3/4 | 70265 | 10 | 55 Kč | ||||
15 | SPOKE 183 4/3,3/4 | 70264 | 9 | 55 Kč | ||||
16 | SPOKE NIPPLE 4 mm | 70062 | Do 10 dnů | 24 Kč | ||||
17 | MOZZO POST NUDO VMX MY2021 | 70316 | Do 10 dnů | 0 Kč | ||||
18 | NUT 8mm, LOW SELF-LOCKING | Cena za 1ks. Celkem na tomto rozkresu použito 7ks.... | 49643 | 7 | 15 Kč | |||
19 | WASHER STEEL 8mm | ... | 49611 | Do 10 dnů | 3 Kč | |||
20 | BOLT TSEI 8X25 | Cena za 1ks. Celkem na tomto rozkresu použito 7ks.... | 49421 | 2 | 9 Kč | |||
21 | SPROCKET 46T, REAR, S.MOTARD | 70290.46 | 1 | 1 840 Kč | ||||
21 | CORONA CATENA Z 42 M. 86/-> ZF | 70290.42 | Do 10 dnů | 1 535 Kč | ||||
21 | SPROCKET 47T, REAR, M.86/-> | 70103.47 | Do 10 dnů | 1 715 Kč | ||||
21 | CORONA CATENA Z 40 M. 86/-> ZF | 70290.40 | 1 | 1 535 Kč | ||||
21 | CORONA CATENA Z 41 M. 86/-> ZF | 70290.41 | 1 | 1 535 Kč | ||||
21 | CORONA CATENA Z 43 M. 86/-> ZF | 70290.43 | 1 | 1 535 Kč | ||||
21 | CORONA CATENA Z 44 M. 86/-> ZF | 70290.44 | Do 10 dnů | 1 535 Kč | ||||
21 | CORONA CATENA Z 45 M. 86/-> ZF | 70290.45 | Do 10 dnů | 1 535 Kč | ||||
22 | CATENA REGINA 135RX3 106 MG | 70309 | Do 10 dnů | 2 115 Kč |
Načítám data ...