
| Pozice | Název | Popis | Sklad. číslo | Sklad | Cena | |||
|---|---|---|---|---|---|---|---|---|
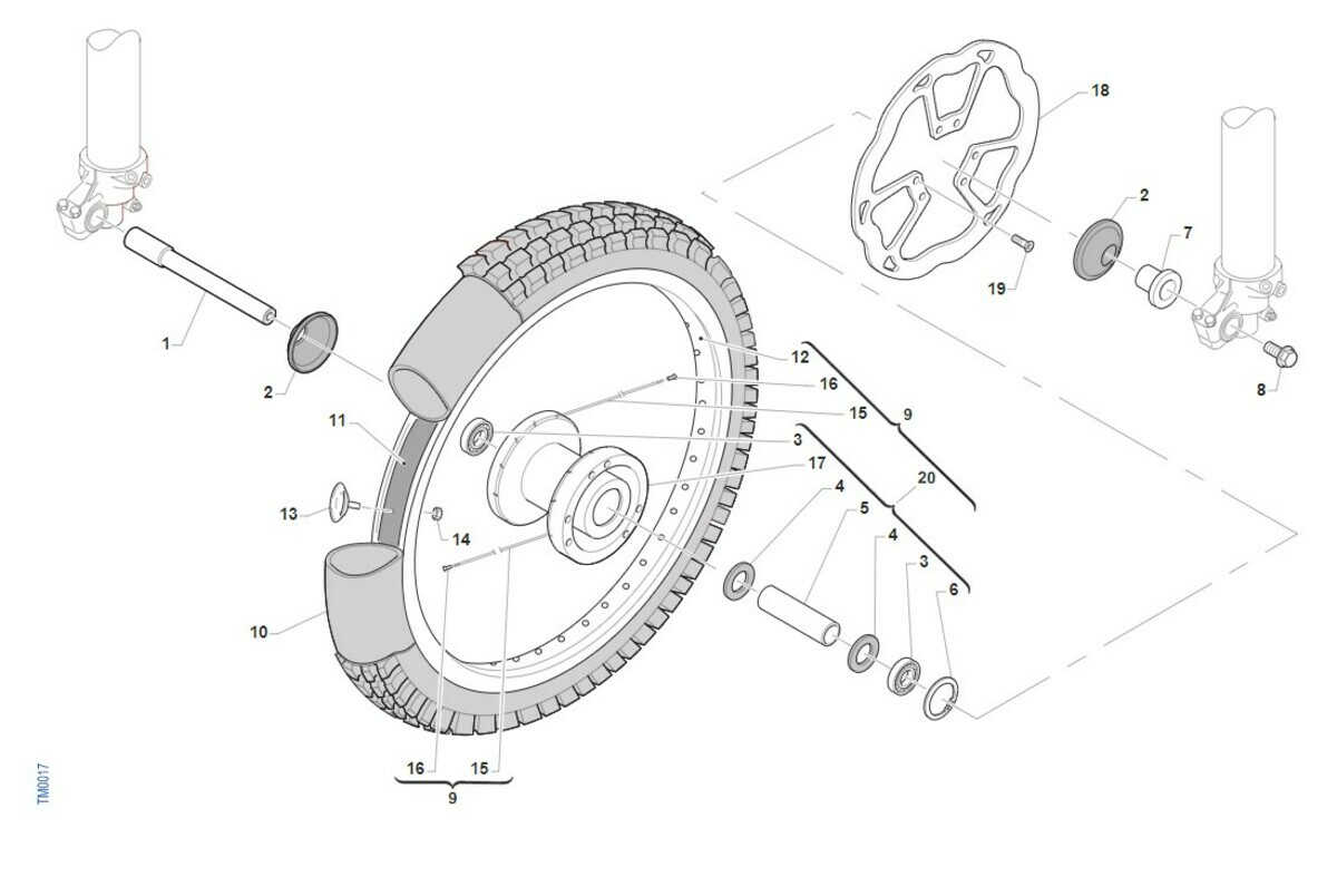
1 | AXLE, FR WHEEL MA50 07/-> | 74044 | 1 | 817 Kč | ||||
2 | DUST SEAL, FR WHEEL MA50 07/-> | 69998 | 6 | 211 Kč | ||||
3 | BUSH, FRONT WHEEL MA50 61905 | 03071 | Do 10 dnů | 414 Kč | ||||
4 | WASHER, RUBBER 42x29x3 | 70165 | Do 10 dnů | 17 Kč | ||||
5 | SPACER INTER.FRONT WHEEL MA.7 | 70167 | Do 10 dnů | 277 Kč | ||||
6 | CIRCLIP D.42 - REAR WHEEL | 49250 | Do 10 dnů | 11 Kč | ||||
7 | SPACER, FR WHEEL MA50 07/-> | 70166 | 2 | 361 Kč | ||||
8 | NUT, FR AXLE MA50 M.07/-> | 49077 | 1 | 247 Kč | ||||
9 | FRONT WHEEL MX ASSY 10-> | 70191 | Do 10 dnů | 13 310 Kč | ||||
10 | TUBE, TYRE 21 | 80150 | Do 10 dnů | 627 Kč | ||||
11 | FLAP FRONT WHEEL 21" | 70032 | 1 | 113 Kč | ||||
12 | FRONT RIM 1.60x21 Takasago | 70050 | Do 10 dnů | 8 783 Kč | ||||
13 | STOPPER 1.60 | 70030.1 | Do 10 dnů | 326 Kč | ||||
14 | NUT 8mm, FLANGE | 49640 | 3 | 24 Kč | ||||
15 | SPOKE FR.WHEEL 4/3.1/4 X 230 | 70246 | Do 10 dnů | 70 Kč | ||||
16 | SPOKE NIPPLE 4 mm | 70062 | Do 10 dnů | 24 Kč | ||||
17 | MOZZO ANT VMX MA50/KYB EN/MX R4 NUDO | 70315 | Do 10 dnů | 0 Kč | ||||
18 | BRAKE, FRONT DISK 15-> | 69260 | Do 10 dnů | 3 311 Kč | ||||
19 | bolt-6x12 | 49370 | 18 | 8 Kč | ||||
20 | FRONT HUB MARZ. 2010 --> ASSY | 70188 | Do 10 dnů | 8 257 Kč |
Načítám data ...