0
0 Kč
MOTORKY A DÍLY TM
JSME VÝHRADNÍ IMPORTÉR TM PRO ČR
O nás
Kontakt
Doprava a platba
Obchodní podmínky
Ochrana dat
Servis
Dealeři a TM Pointy
CZK
EUR
Přihlásit se
MOTORKY A DÍLY TM
JSME VÝHRADNÍ IMPORTÉR TM PRO ČR
Hledat
0
0 Kč
Váš košík je prázdný
Motocykly - 2026
Originální díly
Oblečení a doplňky
Racing díly
Bazar
Bardahl
Motorex
Manuály v ČJ
Domů
Originální díly
2025 - 2026
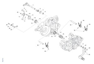
Motor MX 250 2T 2025/26
Motor MX 250 2T 2025/26
Nová spojka MX 250 2T 2026
Nová převodovka MX 250 2T 2026
Válec MX 250 2T 2025
Elektronika přívěry MX 250 2T 2025
Píst a klika MX 250 2T 2025
Víka spojky a vodní pumpa MX 250 2T 2025
Spojka MX 250 2T 2025
Kartery a sání MX 250 2T 2025
Mechanismus řazení MX 250 2T 2025
Převodovka MX 250 2T 2025
Zapalování MX 250 2T 2025
Nožní startování MX 250 2T 2025
Načítám data ...