0
0 Kč
MOTORKY A DÍLY TM
JSME VÝHRADNÍ IMPORTÉR TM PRO ČR
O nás
Kontakt
Doprava a platba
Obchodní podmínky
Ochrana dat
Servis
Dealeři a TM Pointy
CZK
EUR
Přihlásit se
MOTORKY A DÍLY TM
JSME VÝHRADNÍ IMPORTÉR TM PRO ČR
Hledat
0
0 Kč
Váš košík je prázdný
Motocykly - 2026
Originální díly
Oblečení a doplňky
Racing díly
Bazar
Bardahl
Motorex
Manuály v ČJ
ELEMENTO FISSAGGIO MOLLA
Domů
Originální díly
2022
Motor MX 112 Junior 2022
Motor MX 112 Junior 2022
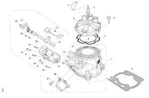
Válec MX 112 Junior 2022
Píst a klika MX 112 Junior 2022
Zapalování MX 112 Junior 2022
Víko spojky a vodní pumpa MX 112 Junior 2022
Spojka MX 112 Junior 2022
Kartery a sání MX 112 Junior 2022
Nožní startování MX 112 Junior 2022
Mechanismus řazení MX 112 Junior 2022
Převodovka MX 112 Junior 2022
Šrouby pro víka motoru MX 112 Junior 2022
Šrouby karterů MX 112 Junior 2022
Načítám data ...