0
0,00 €
MOTORKY A DÍLY TM
JSME VÝHRADNÍ IMPORTÉR TM PRO ČR
O nás
Kontakt
Doprava a platba
Obchodní podmínky
Ochrana dat
Servis
Dealeři a TM Pointy
CZK
EUR
Přihlásit se
MOTORKY A DÍLY TM
JSME VÝHRADNÍ IMPORTÉR TM PRO ČR
Hledat
0
0,00 €
Váš košík je prázdný
Motocykly - 2026
Originální díly
Oblečení a doplňky
Racing díly
Bazar
Bardahl
Motorex
Manuály v ČJ
ELEMENTO FISSAGGIO MOLLA
Domů
Originální díly
2022
2022
Rám MX 85 Junior 2022
Motor MX 85 Junior 2022
Rám SMX 85 Junior 2022
Motor SMX 85 Junior 2022
Rám MX 100 Junior 2022
Motor MX 100 Junior 2022
Rám SMX 100 Junior 2022
Motor SMX 100 Junior 2022
Rám MX 112 Junior 2022
Motor MX 112 Junior 2022
Zadní tlumič EXTREME SHOCK JUNIOR 2022
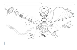
Karburátor KEIHIN 28 - 2022
Rám EN 125 Fi 2022
Motor EN 125 Fi 2022
Rám MX 125 2022
Motor MX 125 2022
Rám EN 144 Fi 2022
Motor EN 144 Fi 2022
Rám EN 144 2022
Motor EN 144 2022
Rám MX 144 2022
Motor MX 144 2022
Škrtící klapka EN/SMR 125/144 2022
Rám EN 250 Fi 2T 2022
Motor EN 250 Fi 2T 2022
Rám EN 250 2T 2022
Motor EN 250 2T 2022
Rám MX 250 2T 2022
Motor MX 250 2T 2022
Rám EN 300 Fi 2T 2022
Motor EN 300 Fi 2T 2022
Rám EN 300 2T 2022
Motor EN 300 2T 2022
Rám MX 300 2T 2022
Motor MX 300 2T 2022
Rám SMR 300 Fi 2T 2022
Motor SMR 300 Fi 2T 2022
Škrtící klapka EN/SMR 250/300Fi 2T 2022
Zadní tlumič TM Racing 2T 2022
Rám EN 250 Fi 4T 2022
Motor EN 250 Fi 4T 2022
Rám MX 250 Fi 4T 2022
Motor MX 250 Fi 4T 2022
Škrtící klapka MX 250Fi 4T 2022
Rám EN 300 Fi 4T 2022
Motor EN 300 Fi 4T 2022
Rám MX 300 Fi 4T 2022
Motor MX 300 Fi 4T 2022
Škrtící klapka EN 250Fi 4T + EN/MX 300Fi 4T 2022
Rám EN 450 Fi 4T 2022
Motor EN 450 Fi 4T 2022
Rám SMR 450 Fi 4T 2022
Motor SMR 450 Fi 4T 2022
Škrtící klapka Keihin EN/SMR 450Fi 4T 2022
Zadní tlumič TM Racing 4T 2022
Zadní tlumič TM Racing SM 4T 2022
Rám MX 450 Fi 4T 2022
Motor MX 450 Fi 4T 2022
Rám SMK 450 Fi 4T 2022
Motor SMK 450 Fi 4T 2022
Škrtící klapka SMK 450 Fi 4T 2022
Načítám data ...